ສະຫຼັບການເດີນທາງຈໍາກັດສອງເສົາທີ່ເປັນເອກະລາດແມ່ນສ່ວນປະກອບຄວບຄຸມແບບອັດຕະໂນມັດທີ່ເກີດຈາກການເຄື່ອນໄຫວກົນຈັກ. ຫນ້າທີ່ຫຼັກຂອງມັນແມ່ນການກວດພົບການຍ້າຍຖິ່ນຖານຫຼືເສັ້ນເລືອດຕັນໃນຂອງວັດຖຸເພື່ອໃຫ້ໄດ້ຮັບການເປີດແລະປິດວົງຈອນ, ຈຸດເລີ່ມຕົ້ນແລະການຢຸດການປົກປ້ອງ. ມັນແມ່ນຜູ້ບັນຊາການທີ່ມີຄວາມປອດໄພ 'ແລະ' ຜູ້ບັນຊາການປະຕິບັດງານໃນການອັດຕະໂນມັດອຸດສາຫະກໍາແລະອຸປະກອນໄຟຟ້າ.
ສັບປ່ຽນ ແນະນໍານ້ອຢ
ສະຫຼັບການເດີນທາງ (ທີ່ເອີ້ນກັນວ່າການປ່ຽນຈໍາກັດ) ແມ່ນສ່ວນປະກອບຄວບຄຸມແບບອັດຕະໂນມັດທີ່ເກີດຈາກການເຄື່ອນໄຫວກົນຈັກ. ຫນ້າທີ່ຫຼັກຂອງມັນແມ່ນການກວດພົບການຍ້າຍຖິ່ນຖານຫຼືເສັ້ນເລືອດຕັນໃນຂອງວັດຖຸເພື່ອໃຫ້ໄດ້ຮັບການເປີດແລະປິດວົງຈອນ, ຈຸດເລີ່ມຕົ້ນແລະການຢຸດການປົກປ້ອງ. ມັນແມ່ນຜູ້ບັນຊາການທີ່ມີຄວາມປອດໄພ 'ແລະ' ຜູ້ບັນຊາການປະຕິບັດງານໃນການອັດຕະໂນມັດອຸດສາຫະກໍາແລະອຸປະກອນໄຟຟ້າ.
ສັບປ່ຽນ ສະຫມັກຄໍາສັ່ງ
ຄໍາຮ້ອງສະຫມັກໃນເຄື່ອງໃຊ້ໃນເຮືອນແລະເຮືອນສະຫຼາດ:
ເຄື່ອງຊັກຜ້າ:ລະຫັດລັອກຂີດຈໍາກັດຖືກຕິດຕັ້ງຢູ່ປະຕູເຄື່ອງຊັກຜ້າທີ່ໂຫຼດຫນ້າ. ເຄື່ອງໃຊ້ໄຟຟ້າພຽງແຕ່ຈະປິດລົງໃນເວລາທີ່ປະຕູປິດຫມົດແລະການເປີດວົງຈອນ, ເຊິ່ງປ້ອງກັນການຮົ່ວໄຫຼຫຼືເຄື່ອງນຸ່ງຫົ່ມຈາກການຖືກໂຍນອອກໃນລະຫວ່າງການດໍາເນີນງານ.
ຕູ້ເຢັນ / ເຕົາອົບ:ໃນເວລາທີ່ປະຕູຕູ້ເຢັນໄດ້ຖືກປິດ, ການປ່ຽນແປງຂອງການປ່ຽນເພື່ອປິດໄຟພາຍໃນ. ກົງກັນຂ້າມ, ຖ້າປະຕູເຕົາອົບບໍ່ໄດ້ຖືກປິດຢ່າງປອດໄພ, ປຸ່ມສະຫຼັບຈະຕັດພະລັງງານໃສ່ອົງປະກອບຄວາມຮ້ອນເພື່ອປ້ອງກັນການຮົ່ວໄຫຼຂອງຄວາມຮ້ອນ.
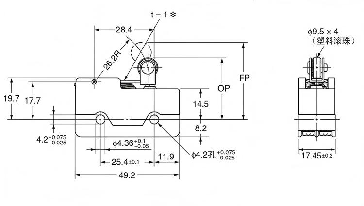
ສັບປ່ຽນ ລາຍລະອຽດ
