ls switch ເສັ້ນເລືອດຕັນໃນກໍານົດຄຸນນະພາບສູງແມ່ນສ່ວນປະກອບຄວບຄຸມແບບອັດຕະໂນມັດທີ່ເກີດຈາກການເຄື່ອນໄຫວກົນຈັກ. ຫນ້າທີ່ຫຼັກຂອງມັນແມ່ນການກວດພົບການຍ້າຍຖິ່ນຖານຫຼືເສັ້ນເລືອດຕັນໃນຂອງວັດຖຸເພື່ອໃຫ້ໄດ້ຮັບການເປີດແລະປິດວົງຈອນ, ຈຸດເລີ່ມຕົ້ນແລະການຢຸດການປົກປ້ອງ. ມັນແມ່ນຜູ້ບັນຊາການທີ່ມີຄວາມປອດໄພ 'ແລະ' ຜູ້ບັນຊາການປະຕິບັດງານໃນການອັດຕະໂນມັດອຸດສາຫະກໍາແລະອຸປະກອນໄຟຟ້າ.
ສັບປ່ຽນ ແນະນໍານ້ອຢ
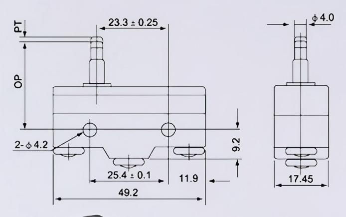
ສະຫຼັບການເດີນທາງ (ທີ່ເອີ້ນກັນວ່າການປ່ຽນຈໍາກັດ) ແມ່ນສ່ວນປະກອບຄວບຄຸມແບບອັດຕະໂນມັດທີ່ເກີດຈາກການເຄື່ອນໄຫວກົນຈັກ. ຫນ້າທີ່ຫຼັກຂອງມັນແມ່ນການກວດພົບການຍ້າຍຖິ່ນຖານຫຼືເສັ້ນເລືອດຕັນໃນຂອງວັດຖຸເພື່ອໃຫ້ໄດ້ຮັບການເປີດແລະປິດວົງຈອນ, ຈຸດເລີ່ມຕົ້ນແລະການຢຸດການປົກປ້ອງ. ມັນແມ່ນຜູ້ບັນຊາການທີ່ມີຄວາມປອດໄພ 'ແລະ' ຜູ້ບັນຊາການປະຕິບັດງານໃນການອັດຕະໂນມັດອຸດສາຫະກໍາແລະອຸປະກອນໄຟຟ້າ.
ສັບປ່ຽນ ສະຫມັກຄໍາສັ່ງ
ລະບົບສາຍແອວ Conveyor Belt: ມີການຕິດຕັ້ງຈໍາກັດໃນຈຸດເລີ່ມຕົ້ນ / ຈຸດສຸດທ້າຍຂອງເຄື່ອງລໍາລຽງ. ໃນເວລາທີ່ການຂົນສົ່ງທີ່ຖືກຂົນສົ່ງໄປທີ່ຕໍາແຫນ່ງທີ່ໄດ້ກໍານົດໄວ້, ການສະຫຼັບຖືກກະຕຸ້ນໃຫ້ຢຸດການລໍາລຽງ, ການປະສານກັບແຂນຫຸ່ນຍົນເພື່ອປະຕິບັດການກະທໍາແລະການຈັດຮຽງ.
ສາຍປະກອບ: ພວກມັນຖືກນໍາໃຊ້ເພື່ອກວດສອບວ່າເຄື່ອງເຮັດວຽກຢູ່ໃນຕໍາແຫນ່ງທີ່ຖືກຕ້ອງຫຼືບໍ່. ຍົກຕົວຢ່າງ, ຢູ່ໃນບ່ອນປະກອບເຄື່ອງໃຊ້ໃນເຮືອນ, ໃນເວລາທີ່ສະຖານີຂ້າງນອກທີ່ເຄື່ອນຍ້າຍ, ການປ່ຽນເຮັດໃຫ້ການເລີ່ມຕົ້ນຂອງເຄື່ອງແຫນ້ນ, ຮັບປະກັນການປະສານງານລະຫວ່າງຂັ້ນຕອນການຂະບວນການທີ່ຊັດເຈນ.
ສັບປ່ຽນ ລາຍລະອຽດ
