ໃນຖານະເປັນ masterpiece ຄລາສສິກໂດຍ Yueqing Tongda ໃນພາກສະຫນາມຂອງ micro switches, Weipeng Smart Door Lock ແລະ Robot Vacuum Triple-Reset Micro Switch ມີຂໍ້ດີຫຼັກຂອງ 'ໂຄງສ້າງຂະຫນາດນ້ອຍ, ອາຍຸສູງສຸດ, ແລະການກະຕຸ້ນທີ່ຊັດເຈນ,' ແລະຖືກອອກແບບມາເປັນພິເສດສໍາລັບອຸປະກອນການໂຕ້ຕອບຂອງມະນຸດເຊັ່ນ: ຫນູແລະແປ້ນພິມ, ເຊັ່ນດຽວກັນກັບຄໍາຮ້ອງສະຫມັກການຄວບຄຸມເອເລັກໂຕຣນິກຂະຫນາດນ້ອຍ.
ການແນະນໍາ Micro Switch
ໃນຖານະເປັນ masterpiece ຄລາສສິກໂດຍ Yueqing Tongda ໃນພາກສະຫນາມຂອງສະຫຼັບຂະຫນາດນ້ອຍ, ສະຫຼັບຫນູ HK-10 ມີຂໍ້ໄດ້ປຽບຫຼັກຂອງ 'ໂຄງສ້າງຂະຫນາດນ້ອຍ, ອາຍຸສູງສຸດ, ແລະການກະຕຸ້ນທີ່ຊັດເຈນ,' ອອກແບບໂດຍສະເພາະສໍາລັບອຸປະກອນການໂຕ້ຕອບຂອງມະນຸດເຊັ່ນ: ຫນູແລະແປ້ນພິມ, ເຊັ່ນດຽວກັນກັບຄໍາຮ້ອງສະຫມັກການຄວບຄຸມເອເລັກໂຕຣນິກຂະຫນາດນ້ອຍ. ປະສົມປະສານໃນໄລຍະສາມສິບປີຂອງຄວາມຊໍານານການຜະລິດສະຫຼັບແລະເຕັກໂນໂລຊີສິດທິບັດ, ຜະລິດຕະພັນນີ້ໄດ້ກາຍເປັນອົງປະກອບການຄວບຄຸມທີ່ສໍາຄັນໃນອຸປະກອນເອເລັກໂຕຣນິກຜູ້ບໍລິໂພກ, ການຄວບຄຸມອຸດສາຫະກໍາ, ແລະອຸປະກອນສະຫມາດ, ຍ້ອນຄວາມໄວຕອບສະຫນອງລະດັບ millisecond, ຄວາມທົນທານຂອງສິບລ້ານຮອບ, ແລະຄວາມເຂົ້າກັນໄດ້ຢ່າງກວ້າງຂວາງ. ມັນໄດ້ສະຫນອງການບໍລິການສະຫນັບສະຫນູນສໍາລັບຍີ່ຫໍ້ເອເລັກໂຕຣນິກທີ່ມີຊື່ສຽງທັງພາຍໃນແລະຕ່າງປະເທດ.
ມັນເຂົ້າກັນໄດ້ກັບອຸປະກອນສວມໃສ່ອັດສະລິຍະ, ແຜງຄວບຄຸມເຮືອນອັດສະລິຍະ, ອຸປະກອນອີເລັກໂທຣນິກແບບພົກພາ ແລະອື່ນໆອີກ. ການອອກແບບທີ່ຫນາແຫນ້ນຂອງມັນແລະການບໍລິໂພກພະລັງງານຕ່ໍາຢ່າງສົມບູນຕອບສະຫນອງຄວາມຕ້ອງການຂອງອຸປະກອນຂະຫນາດນ້ອຍ, ສະຫນັບສະຫນູນການຄວບຄຸມທີ່ຊັດເຈນສໍາລັບຜະລິດຕະພັນເຊັ່ນ smartwatches ແລະ locks ປະຕູ smart.
ໃຊ້ສໍາລັບແຜງສໍາຜັດອຸດສາຫະກໍາ, ປຸ່ມຄວບຄຸມຂະຫນາດນ້ອຍ, ການຄວບຄຸມ micro-motion ໃນອຸປະກອນອັດຕະໂນມັດ, ແລະອື່ນໆ ລະດັບການປ້ອງກັນ IP40 ຂອງມັນສາມາດຕ້ານກັບຝຸ່ນໃນກອງປະຊຸມ, ແລະການປະຕິບັດອຸນຫະພູມກວ້າງຂອງມັນປັບຕົວກັບການປ່ຽນແປງຂອງອຸນຫະພູມໃນສະພາບແວດລ້ອມອຸດສາຫະກໍາ, ຮັບປະກັນການດໍາເນີນງານທີ່ຫມັ້ນຄົງໃນສະຖານະການເຊັ່ນ: ການຄວບຄຸມສາຍການປະກອບແລະການແກ້ໄຂບັນຫາອຸປະກອນ.
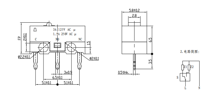
ພາຣາມິເຕີ Micro Switch (ຂໍ້ມູນຈໍາເພາະ)
| ລາຍການ | ຕົວກໍານົດການດ້ານວິຊາການຕົ້ນຕໍ |
| 1 | ການປະເມີນຄ່າໄຟຟ້າ: 1A/3A 250VAC |
| 2 | ອາຍຸການໃຊ້ໄຟຟ້າ: ຕ່ຳສຸດ 10000 ຮອບ |
| 3 | ການຕໍ່ຕ້ານການຕິດຕໍ່:<50mΩ |
| 4 | ກໍາລັງປະຕິບັດການ: 70 ± 20gf |
| 5 | ຕໍາແຫນ່ງຟຣີ: 7.3 ± 0.2mm |
| 6 | ຕໍາແຫນ່ງປະຕິບັດການ: 7.0±0.2mm |
| 7 | ອຸນຫະພູມລ້ອມຮອບ:T85° |
| 8 | ທົນທານຕໍ່ແຮງດັນ: ລະຫວ່າງ terminal ແລະ terminal 500V / 5S / 5mA; |
| ລະຫວ່າງ terminals ແລະ case 1500/5S/5mA | |
| 9 | Insulation Resistance:>100MΩ Test Voltage 500VDC |
| 10 | ດັດຊະນີການຕິດຕາມຫຼັກຖານ PTI : 175V |
ລາຍລະອຽດ Micro Switch
