PLUG ALGUT ADTUGS ປຸ່ມຂະຫນາດນ້ອຍມີໄລຍະຫ່າງຂອງອັດຕະໂນມັດແລະກົນໄກການກະທໍາທີ່ລະບຸໄວ້ໃນກະແສໄຟຟ້າແລະມີການສົ່ງຕໍ່ທາງນອກ, ແລະຮູບຮ່າງມີຂະຫນາດນ້ອຍ.
ຜະລິດຕະພັນ ແນະນໍານ້ອຢ
ການກົດດັນການກົດດັນແມ່ນສ່ວນປະກອບທາງອີເລັກໂທຣນິກທົ່ວໄປທີ່ໃຊ້ໃນການຄວບຄຸມແລະປິດສະຖານະພາບຂອງວົງຈອນ. ມັນມັກຈະປະກອບດ້ວຍປຸ່ມແລະປຸ່ມສະຫຼັບທີ່ປ່ຽນເປັນລັດເມື່ອກົດປຸ່ມ.
ປຸ່ມກົດປຸ່ມຊຸກຍູ້ໃຫ້ໃຊ້ກະພິບ, ເມື່ອກົດປຸ່ມ, ປຸ່ມຈະກະພິບຕາເພື່ອດຶງດູດຄວາມສົນໃຈຂອງຜູ້ໃຊ້.
ຜະລິດຕະພັນ ສະຫມັກການແລະສະເພາະ
ປຸ່ມສຽບຖັນປຸ່ມຈຸນລະພາກສາມາດຖືກນໍາໃຊ້ເພື່ອຄວບຄຸມແສງ, ເມື່ອກົດປຸ່ມ, ໄຟຈະເປີດຫຼືປິດ. ມັນຍັງສາມາດຖືກນໍາໃຊ້ເພື່ອຄວບຄຸມການປ່ຽນອຸປະກອນໄຟຟ້າ, ເຄື່ອງປັບອາກາດ, ແລະອື່ນໆໃນການຄວບຄຸມການເລີ່ມຕົ້ນແລະການຄວບຄຸມຂອງຄົວເຮືອນ, ລົດຍົນ, ມັນບໍ່ສາມາດແຍກອອກຈາກສ່ວນປະກອບຄວບຄຸມງ່າຍໆນີ້.
| ປ່ຽນຄຸນລັກສະນະທາງວິຊາການ: | |||
| ລາຍການ | ພາລາມິເຕີດ້ານເຕັກນິກ | ຄຸນຄ່າ | |
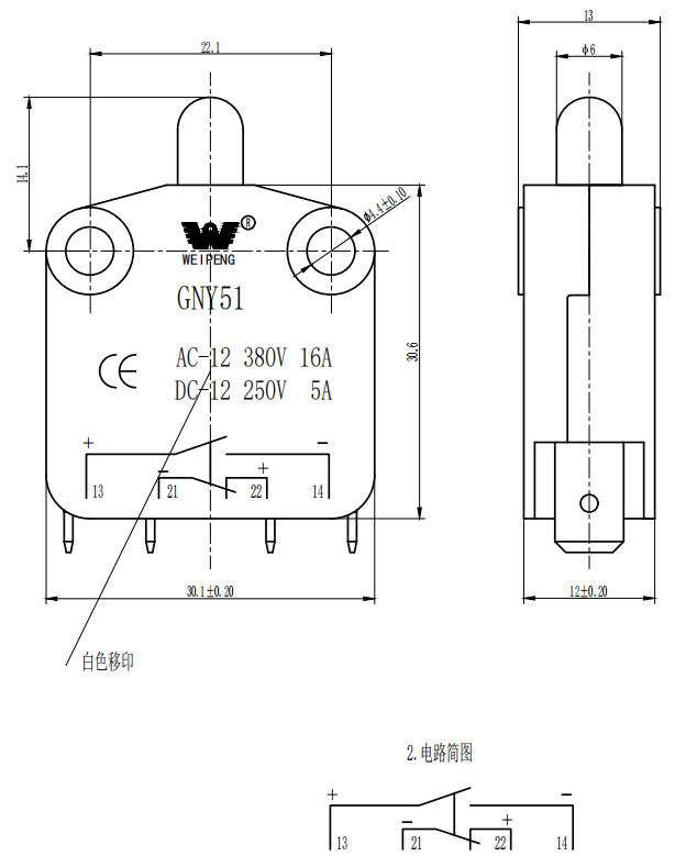
| 1 | ການໃຫ້ຄະແນນໄຟຟ້າ | 16a 250vac | |
| 2 | ຕິດຕໍ່ຄວາມຕ້ານທານ | ≤50mωມູນຄ່າເບື້ອງຕົ້ນ | |
| 3 | ການຕໍ່ຕ້ານການສນວນກັນ | ≥100mω (500VDC) | |
| 4 |
ຂີ້ເທ ແຮງຈິດໃຈ |
ລະຫວ່າງ ສະຖານີທີ່ບໍ່ແມ່ນການເຊື່ອມຕໍ່ |
500V / 0.5MA / 60s |
| ລະຫວ່າງສະຖານີ ແລະກອບໂລຫະ |
1500V / 0.5MA / 60s | ||
| 5 | ຊີວິດໄຟຟ້າ | ≥50000ຮອບວຽນ | |
| 6 | ຊີວິດກົນຈັກ | ≥100000ຮອບວຽນ | |
| 7 | ອຸນຫະພູມໃນການເຮັດວຽກ | -25 ~ 125 ℃ | |
| 8 | ຄວາມຖີ່ຂອງການດໍາເນີນງານ | ໄຟຟ້າ: 15 ຮອບວຽນ ກົນຈັກ: 60 ຮອບວຽນ |
|
| 9 | ຫຼັກຖານການສັ່ນສະເທືອນ | ຄວາມຖີ່ຂອງການສັ່ນສະເທືອນ: 10 ~ 55hz; ຄວາມກວ້າງຂວາງ: 1.5mm; ສາມທິດທາງ: 1h |
|
| 10 | solder ຄວາມສາມາດ: ຫຼາຍກ່ວາ 80% ຂອງສ່ວນທີ່ຝັງເລິກ ຈະໄດ້ຮັບການປົກຫຸ້ມດ້ວຍ solder |
ອຸນຫະພູມ soldering: 235 ± 5 ℃ ເວລາທີ່ກໍາລັງຝັງດິນ: 2 ~ 3s |
|
| 11 | ຄວາມຕ້ານທານຄວາມຮ້ອນຂອງ Solder | DIP SOLLOWERING: 260 ± 5 ℃ 5 ± 1s ຄູ່ມືຄູ່ມື: 300 ± 5 ℃ 2 ~ 3s |
|
| 12 | ອະນຸມັດຄວາມປອດໄພ | UL, CSA, TUV, CQC, CE | |
| 13 | ເງື່ອນໄຂການທົດສອບ | ອຸນຫະພູມອາກາດລ້ອມຮອບ: 20 ± 5 ℃ ຄວາມຊຸ່ມຊື່ນທີ່ກ່ຽວຂ້ອງ: 65 ± 5% rh ຄວາມກົດດັນດ້ານອາກາດ: 86 ~ 106kpa |
|
ຜະລິດຕະພັນ ລາຍລະອຽດ


