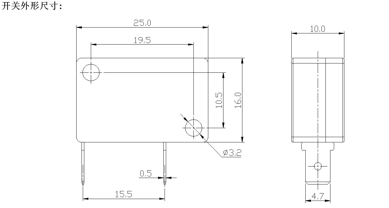
Plastic Magnetic Micro Switch ແມ່ນອຸປະກອນສະຫຼັບທີ່ຄວບຄຸມການເປີດ-ປິດຂອງວົງຈອນຜ່ານສັນຍານພາກສະຫນາມແມ່ເຫຼັກ. ຄຸນນະສົມບັດຫຼັກຂອງມັນແມ່ນການດໍາເນີນງານທີ່ບໍ່ມີການຕິດຕໍ່, ດັ່ງນັ້ນມັນມີຂໍ້ດີຂອງການຕອບສະຫນອງໄວ, ຊີວິດການບໍລິການທີ່ຍາວນານ, ແລະຄວາມຫນ້າເຊື່ອຖືສູງ, ແລະຖືກນໍາໃຊ້ຢ່າງກວ້າງຂວາງໃນອຸດສາຫະກໍາອັດຕະໂນມັດ, ຄວາມປອດໄພ, ລົດຍົນ, ແລະພາກສະຫນາມເຮືອນ smart.
ການແນະນໍາ Micro Switch
ສະວິດແມ່ເຫຼັກແມ່ນອຸປະກອນສະຫຼັບທີ່ຄວບຄຸມການເປີດ-ປິດຂອງວົງຈອນຜ່ານສັນຍານພາກສະຫນາມແມ່ເຫຼັກ. ຄຸນນະສົມບັດຫຼັກຂອງມັນແມ່ນການດໍາເນີນງານທີ່ບໍ່ມີການຕິດຕໍ່, ດັ່ງນັ້ນມັນມີຂໍ້ດີຂອງການຕອບສະຫນອງໄວ, ຊີວິດການບໍລິການທີ່ຍາວນານ, ແລະຄວາມຫນ້າເຊື່ອຖືສູງ, ແລະຖືກນໍາໃຊ້ຢ່າງກວ້າງຂວາງໃນອຸດສາຫະກໍາອັດຕະໂນມັດ, ຄວາມປອດໄພ, ລົດຍົນ, ແລະພາກສະຫນາມເຮືອນ smart.
ພາຣາມິເຕີ Micro Switch (ຂໍ້ມູນຈໍາເພາະ)
| ສະຫຼັບລັກສະນະທາງວິຊາການ: | |||
| ລາຍການ | ພາລາມິເຕີດ້ານວິຊາການ | ມູນຄ່າ | |
| 1 | ການຈັດອັນດັບໄຟຟ້າ | 5(2)A/10A/16(3)A/21(8)A 250VAC | |
| 2 | ການຕໍ່ຕ້ານການຕິດຕໍ່ | ≤30mΩຄ່າເບື້ອງຕົ້ນ | |
| 3 | ຄວາມຕ້ານທານ insulation | ≥100MΩ (500VDC) | |
| 4 |
Dielectric ແຮງດັນ |
ລະຫວ່າງ terminals ທີ່ບໍ່ໄດ້ເຊື່ອມຕໍ່ |
1000V/0.5mA/60S |
|
ລະຫວ່າງ terminals ແລະກອບໂລຫະ |
3000V/0.5mA/60S | ||
| 5 | ຊີວິດໄຟຟ້າ | ≥50000 ຮອບ | |
| 6 | ຊີວິດກົນຈັກ | ≥1000000 ຮອບ | |
| 7 | ອຸນຫະພູມປະຕິບັດງານ | -25 ~ 125 ℃ | |
| 8 | ຄວາມຖີ່ຂອງການດໍາເນີນການ |
ໄຟຟ້າ : 15 ຮອບ ກົນຈັກ: 60 ຮອບ |
|
| 9 | ຫຼັກຖານສະແດງການສັ່ນສະເທືອນ |
ຄວາມຖີ່ຂອງການສັ່ນສະເທືອນ: 10 ~ 55HZ; ຄວາມກວ້າງໃຫຍ່ໄພສານ: 1.5mm; ສາມທິດທາງ : 1H |
|
| 10 |
ຄວາມສາມາດໃນການຂາຍ: ຫຼາຍກວ່າ 80% ຂອງສ່ວນທີ່ແຊ່ນ້ໍາ ຈະຖືກຫຸ້ມດ້ວຍ solder |
ອຸນຫະພູມ Soldering: 235 ± 5 ℃ ເວລາແຊ່: 2-3ວິ |
|
| 11 | Solder ຄວາມຕ້ານທານຄວາມຮ້ອນ |
Dip Soldering: 260±5℃ 5±1S Soldering ຄູ່ມື: 300±5℃ 2~3S |
|
| 12 | ການອະນຸມັດຄວາມປອດໄພ | UL, CSA, VDE, ENEC, TUV, CE, KC, CQC | |
| 13 | ເງື່ອນໄຂການທົດສອບ |
ອຸນຫະພູມສະພາບແວດລ້ອມ: 20 ± 5 ℃ ຄວາມຊຸ່ມຊື່ນ: 65 ± 5% RH ຄວາມກົດດັນອາກາດ: 86-106KPa |
|
ຄຸນສົມບັດ ແລະແອັບພລິເຄຊັນ Micro Switch
ລາຍລະອຽດ Micro Switch
