ໃນຖານະເປັນຕົວແບບມາດຕະຖານຂອງ Yueqing Tongda Wire Electric Factory's micro switch series, The normal Open Electronic Component Lever Micro Switch ມີລັກສະນະ "ຄວາມອ່ອນໄຫວສູງ, ອາຍຸຍືນຍາວທີ່ສຸດ, ແລະການປັບຕົວຫຼາຍສະຖານະການ" ເປັນຂໍ້ໄດ້ປຽບຫຼັກຂອງມັນ. ການລວມເອົາຄວາມຊ່ຽວຊານດ້ານການຜະລິດສະຫຼັບຂອງບໍລິສັດມາເປັນເວລາ 35 ປີ, ມັນໄດ້ກາຍເປັນອົງປະກອບຄວບຄຸມທີ່ສໍາຄັນໃນເຄື່ອງໃຊ້ໃນຄົວເຮືອນ, ເຄື່ອງເອເລັກໂຕຣນິກລົດໃຫຍ່, ອັດຕະໂນມັດອຸດສາຫະກໍາແລະຂົງເຂດອື່ນໆ, ຍ້ອນຊ່ອງຫວ່າງການຕິດຕໍ່ຫນ້ອຍທີ່ສຸດແລະກົນໄກການປະຕິບັດຢ່າງໄວວາ. ການປະຕິບັດແລະຄວາມຫນ້າເຊື່ອຖືຂອງມັນໄດ້ຮັບການຢັ້ງຢືນຈາກອົງການຈັດຕັ້ງທີ່ມີອໍານາດຫຼາຍທົ່ວໂລກ, ຮັບປະກັນຕໍາແຫນ່ງຕົ້ນຕໍຂອງຕົນໃນຕະຫຼາດ niche.
ການແນະນໍາ Micro Switch
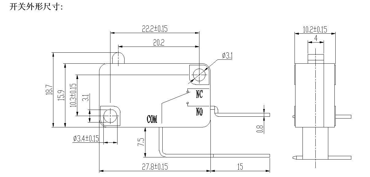
ຊຸດ HK-14 ສະເຫນີທາງເລືອກການປັບແຕ່ງທີ່ມີຄວາມຍືດຫຍຸ່ນສູງເພື່ອຕອບສະຫນອງຄວາມຕ້ອງການຄໍາຮ້ອງສະຫມັກທີ່ແຕກຕ່າງກັນ. ກໍາລັງປະຕິບັດການສາມາດປັບແຕ່ງໄດ້ (ຫນ້ອຍກວ່າ 5.0 N ໃນສະຖານະທີ່ບໍ່ມີ lever, ມາດຕະຖານ 30 ± 15 gf), ມີລະດັບເສັ້ນເລືອດຕັນໃນປະຕິບັດງານຂອງ 0.6-1.5 ມມ, ເຫມາະສໍາລັບແຮງ trigger ທີ່ແຕກຕ່າງກັນແລະສະຖານະການ displacement. ຮູບແບບ Lever ແມ່ນສາມາດປັບແຕ່ງໄດ້, ລວມທັງຊື່, ງໍ, ແລະ levers roller, ເຊິ່ງສາມາດກົງກັບໂຄງສ້າງລະບົບສາຍສົ່ງກົນຈັກຕ່າງໆ. ແບບຟອມການຕິດຕໍ່ກວມເອົາຂອບເຂດເຕັມຂອງ SPDT (1NO 1NC), NO, ແລະ NC.
ພາຣາມິເຕີ Micro Switch (ຂໍ້ມູນຈໍາເພາະ)
| ສະຫຼັບລັກສະນະທາງວິຊາການ: | |||
| ລາຍການ | ພາລາມິເຕີດ້ານວິຊາການ | ມູນຄ່າ | |
| 1 | ການຈັດອັນດັບໄຟຟ້າ | 5(2)A/10A/16(3)A/21(8)A 250VAC | |
| 2 | ການຕໍ່ຕ້ານການຕິດຕໍ່ | ≤30mΩຄ່າເບື້ອງຕົ້ນ | |
| 3 | ຄວາມຕ້ານທານ insulation | ≥100MΩ (500VDC) | |
| 4 |
Dielectric ແຮງດັນ |
ລະຫວ່າງ terminals ທີ່ບໍ່ໄດ້ເຊື່ອມຕໍ່ |
1000V/0.5mA/60S |
|
ລະຫວ່າງ terminals ແລະກອບໂລຫະ |
3000V/0.5mA/60S | ||
| 5 | ຊີວິດໄຟຟ້າ | ≥50000 ຮອບ | |
| 6 | ຊີວິດກົນຈັກ | ≥1000000 ຮອບ | |
| 7 | ອຸນຫະພູມປະຕິບັດງານ | -25 ~ 125 ℃ | |
| 8 | ຄວາມຖີ່ຂອງການດໍາເນີນການ |
ໄຟຟ້າ : 15 ຮອບ ກົນຈັກ: 60 ຮອບ |
|
| 9 | ຫຼັກຖານສະແດງການສັ່ນສະເທືອນ |
ຄວາມຖີ່ຂອງການສັ່ນສະເທືອນ: 10 ~ 55HZ; ຄວາມກວ້າງໃຫຍ່ໄພສານ: 1.5mm; ສາມທິດທາງ : 1H |
|
| 10 |
ຄວາມສາມາດໃນການຂາຍ: ຫຼາຍກວ່າ 80% ຂອງສ່ວນທີ່ແຊ່ນ້ໍາ ຈະຖືກຫຸ້ມດ້ວຍ solder |
ອຸນຫະພູມ Soldering: 235 ± 5 ℃ ເວລາແຊ່: 2-3ວິ |
|
| 11 | Solder ຄວາມຕ້ານທານຄວາມຮ້ອນ |
Dip Soldering: 260±5℃ 5±1S Soldering ຄູ່ມື: 300±5℃ 2~3S |
|
| 12 | ການອະນຸມັດຄວາມປອດໄພ | UL, CSA, VDE, ENEC, TUV, CE, KC, CQC | |
| 13 | ເງື່ອນໄຂການທົດສອບ |
ອຸນຫະພູມສະພາບແວດລ້ອມ: 20 ± 5 ℃ ຄວາມຊຸ່ມຊື່ນ: 65 ± 5% RH ຄວາມກົດດັນອາກາດ: 86-106KPa |
|
ຄຸນສົມບັດ ແລະແອັບພລິເຄຊັນ Micro Switch
ລາຍລະອຽດ Micro Switch
