ໃນຖານະເປັນຊຸດຜະລິດຕະພັນຄລາສສິກໂດຍ Yueqing Tongda Cable Plant ແນໃສ່ສະຖານະການທົ່ວໄປ, ເຄື່ອງເຮັດຄວາມຮ້ອນນ້ໍາອາຍແກັສ Liquefied Gas Heater Water-Operated Ignition Switch series ໄດ້ຖືກອອກແບບໂດຍເນັ້ນໃສ່ "ຄວາມຫມັ້ນຄົງສູງ, ຄວາມເຂົ້າກັນໄດ້ຢ່າງກວ້າງຂວາງ, ແລະປະສິດທິພາບສູງ." ປະສົມປະສານປະສົບການການຜະລິດສະຫຼັບຂອງບໍລິສັດ 35 ປີ, ຊຸດດັ່ງກ່າວກວມເອົາສອງປະເພດການກະຕຸ້ນຕົ້ນຕໍ: rocker ແລະ push-button. ມັນເຫມາະສົມສໍາລັບຄວາມຕ້ອງການຂອງການຄວບຄຸມວົງຈອນໃນທົ່ວພື້ນທີ່ຫຼາຍ, ລວມທັງເຮືອນ smart, ເຄື່ອງໃຊ້ການຄ້າ, ແລະອຸປະກອນອຸດສາຫະກໍາຂະຫນາດນ້ອຍ. ດ້ວຍປະສິດທິພາບທີ່ສົມດູນແລະຄຸນນະພາບທີ່ເຊື່ອຖືໄດ້, ມັນໄດ້ກາຍເປັນທາງເລືອກທີ່ມັກສໍາລັບສະວິດທົ່ວໄປໃນທົ່ວອຸດສາຫະກໍາຕ່າງໆ.
ໄມໂຄຣສະວິດແນະນຳ
ໃນຖານະເປັນຊຸດຜະລິດຕະພັນຄລາສສິກໂດຍ Yueqing Tongda Cable Plant ແນໃສ່ສະຖານະການທົ່ວໄປ, ສະຫຼັບຊຸດ HK-04G ໄດ້ຖືກອອກແບບໂດຍສຸມໃສ່ "ຄວາມຫມັ້ນຄົງສູງ, ຄວາມເຂົ້າກັນໄດ້ຢ່າງກວ້າງຂວາງ, ແລະປະສິດທິພາບຄ່າໃຊ້ຈ່າຍສູງ." ປະສົມປະສານປະສົບການການຜະລິດສະຫຼັບຂອງບໍລິສັດ 35 ປີ, ຊຸດດັ່ງກ່າວກວມເອົາສອງປະເພດການກະຕຸ້ນຕົ້ນຕໍ: rocker ແລະ push-button. ມັນເຫມາະສົມສໍາລັບຄວາມຕ້ອງການຂອງການຄວບຄຸມວົງຈອນໃນທົ່ວພື້ນທີ່ຫຼາຍ, ລວມທັງເຮືອນ smart, ເຄື່ອງໃຊ້ການຄ້າ, ແລະອຸປະກອນອຸດສາຫະກໍາຂະຫນາດນ້ອຍ. ດ້ວຍປະສິດທິພາບທີ່ສົມດູນແລະຄຸນນະພາບທີ່ເຊື່ອຖືໄດ້, ມັນໄດ້ກາຍເປັນທາງເລືອກທີ່ມັກສໍາລັບສະວິດທົ່ວໄປໃນທົ່ວອຸດສາຫະກໍາຕ່າງໆ.
ໄມໂຄຣສະວິດຄໍາຮ້ອງສະຫມັກ
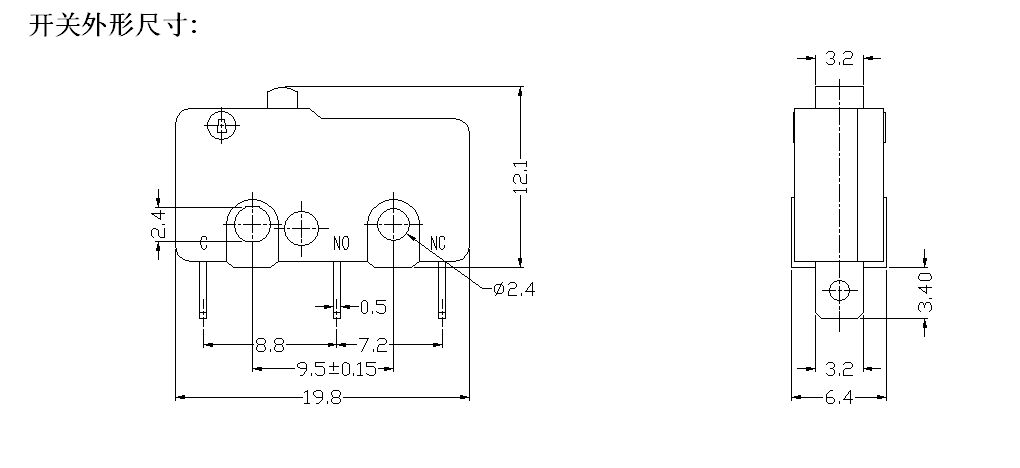
ຊຸດ HK-04G, ທີ່ມີຂະຫນາດກະທັດລັດ (L × W × H ປະມານ 20 × 15 × 10 ມມ), ສາມາດຝັງໄດ້ຢ່າງງ່າຍດາຍໃນກ່ອງແຈກຢາຍອັດສະລິຍະ, ເຕົ້າສຽບອັດສະລິຍະທີ່ຕິດຢູ່ຝາ, ແລະແຜງຄວບຄຸມແສງສະຫມາດ, ແລະໃນປັດຈຸບັນໄດ້ກາຍເປັນອົງປະກອບສະຫນັບສະຫນູນສໍາລັບຍີ່ຫໍ້ເຮືອນ smart ພາຍໃນປະເທດຈໍານວນຫນຶ່ງ. ຕົວຢ່າງເຊັ່ນ, ຫຼັງຈາກຊັອກເກັດສະຫຼາດຂອງຍີ່ຫໍ້ໃດນຶ່ງຖືກຕິດຕັ້ງດ້ວຍສະວິດ rocker ຂອງຊຸດນີ້, ຜູ້ໃຊ້ສາມາດເປີດແລະປິດໄດ້ໄວໂດຍການກົດມັນ. ສົມທົບກັບການຄວບຄຸມໄລຍະໄກຂອງ APP, ມັນບັນລຸຮູບແບບການຄວບຄຸມຄູ່ຂອງ 'ທ້ອງຖິ່ນແລະຫ່າງໄກສອກຫຼີກ', ຫຼຸດຜ່ອນອັດຕາການລົ້ມເຫຼວຂອງຜະລິດຕະພັນ 40% ເມື່ອທຽບກັບສະຫຼັບແບບດັ້ງເດີມແລະເສີມຂະຫຍາຍປະສົບການຂອງຜູ້ໃຊ້.
ອຸປະກອນການຄ້າ: ການຄວບຄຸມພະລັງງານທີ່ເຫມາະສົມກັບເຄື່ອງກາເຟການຄ້າ, ເຄື່ອງບັນທຶກເງິນ, ແລະເຄື່ອງພິມ, ທີ່ມີໂຄງສ້າງການເຊື່ອມຕໍ່ຢູ່ປາຍຍອດທີ່ເຫມາະສົມທີ່ສະຫນັບສະຫນູນການຕິດຕັ້ງສາຍໄຟໄວ. ຫຼັງຈາກການນໍາໃຊ້ batch ໃນຮ້ານກາເຟຕ່ອງໂສ້ສະເພາະໃດຫນຶ່ງ, ປະສິດທິພາບການປະກອບອຸປະກອນເພີ່ມຂຶ້ນ 25% ແລະບໍ່ມີບັນຫາການປິດອຸປະກອນທີ່ເກີດຈາກຄວາມລົ້ມເຫຼວຂອງສະຫຼັບໃນລະຫວ່າງການນໍາໃຊ້ໃນໄລຍະຍາວ.
ອຸດສາຫະກໍາຂະຫນາດນ້ອຍ: ການຄວບຄຸມວົງຈອນສໍາລັບອຸປະກອນ conveyor ຂະຫນາດນ້ອຍແລະແສງສະຫວ່າງໃນກອງປະຊຸມ, featuring ທີ່ຢູ່ອາໄສ flame-retardant ແລະປະສິດທິພາບໄຟຟ້າທີ່ຫມັ້ນຄົງ, ສາມາດຈັດການສະພາບແວດລ້ອມຂີ້ຝຸ່ນແສງສະຫວ່າງໃນກອງປະຊຸມ. ໂຮງງານປຸງແຕ່ງເຄື່ອງອີເລັກໂທຣນິກທີ່ແນ່ນອນໄດ້ໃຊ້ມັນເປັນເວລາ 18 ເດືອນໂດຍບໍ່ມີການເສື່ອມສະພາບຂອງສະວິດ, ຮັບປະກັນການດໍາເນີນງານທີ່ຫມັ້ນຄົງຂອງສາຍການຜະລິດ.
ເພື່ອຕອບສະຫນອງຄວາມຕ້ອງການສ່ວນບຸກຄົນໃນສະຖານະການສະເພາະໃດຫນຶ່ງ, ຊຸດ HK-04G ສະຫນັບສະຫນູນການປັບແຕ່ງແບບຍືດຫຍຸ່ນ:
ການປັບແຕ່ງຮູບລັກສະນະ: ສາມາດເລືອກສີຈາກສີດໍາ, ສີຂາວ, ແລະສີຂີ້ເຖົ່າເພື່ອໃຫ້ກົງກັບການອອກແບບທໍ່ອຸປະກອນທີ່ແຕກຕ່າງກັນ; ທໍ່ສາມາດຖືກແກະສະຫລັກດ້ວຍໂລໂກ້ຂອງບໍລິສັດຫຼືປ້າຍພາລາມິເຕີເພື່ອເພີ່ມການຮັບຮູ້ຍີ່ຫໍ້.
ການປັບແຕ່ງຟັງຊັນ: ຕົວຊີ້ວັດ LED ສີດຽວສີແດງ / ສີຂຽວ (ມີແຮງດັນທີ່ເລືອກໄດ້ຂອງ 5V / 12V) ສາມາດເພີ່ມ, ໃຫ້ຄໍາຄຶດຄໍາເຫັນທີ່ເຂົ້າໃຈໄດ້ກ່ຽວກັບສະຖານະວົງຈອນແລະໃຫ້ຜູ້ໃຊ້ສາມາດກໍານົດໄດ້ໄວວ່າອຸປະກອນຖືກເປີດຫຼືບໍ.
ການປັບແຕ່ງຢູ່ປາຍຍອດ: ຮອງຮັບທັງປລັກອິນ (ໄລຍະຫ່າງ 2.54 ມມ) ແລະປລັກສຽບປະເພດແຜ່ນໃຫ້ພໍດີກັບບ່ອນສາຍໄຟອຸປະກອນຕ່າງໆ. ວົງຈອນການປັບແຕ່ງແມ່ນພຽງແຕ່ 5-10 ມື້, ແລະຕົວຢ່າງສາມາດຖືກຈັດສົ່ງພາຍໃນ 48 ຊົ່ວໂມງ.
ໄມໂຄຣສະວິດ ຂໍ້ມູນຈໍາເພາະ
| ສະຫຼັບລັກສະນະທາງວິຊາການ: | |||
| ລາຍການ | ພາລາມິເຕີດ້ານວິຊາການ | ມູນຄ່າ | |
| 1 | ການຈັດອັນດັບໄຟຟ້າ | 5(2)A 125V/250VAC 10(3)125V/250VAC | |
| 2 | ການຕໍ່ຕ້ານການຕິດຕໍ່ | ≤50mΩ ຄ່າເບື້ອງຕົ້ນ | |
| 3 | ຄວາມຕ້ານທານ insulation | ≥100MΩ (500VDC) | |
| 4 |
Dielectric ແຮງດັນ |
ລະຫວ່າງ terminals ທີ່ບໍ່ໄດ້ເຊື່ອມຕໍ່ |
500V/0.5mA/60S |
| ລະຫວ່າງ terminals ແລະກອບໂລຫະ |
1500V/0.5mA/60S | ||
| 5 | ຊີວິດໄຟຟ້າ | ≥10000 ຮອບ | |
| 6 | ຊີວິດກົນຈັກ | ≥100000 ຮອບ | |
| 7 | ອຸນຫະພູມປະຕິບັດງານ | -25 ~ 125 ℃ | |
| 8 | ຄວາມຖີ່ຂອງການດໍາເນີນການ | ໄຟຟ້າ: 15 ຮອບ ກົນຈັກ: 60 ຮອບ |
|
| 9 | ຫຼັກຖານສະແດງການສັ່ນສະເທືອນ | ຄວາມຖີ່ຂອງການສັ່ນສະເທືອນ: 10 ~ 55HZ; ຄວາມກວ້າງໃຫຍ່ໄພສານ: 1.5mm; ສາມທິດທາງ : 1H |
|
| 10 | ຄວາມສາມາດໃນການຂາຍ: ຫຼາຍກວ່າ 80% ຂອງສ່ວນທີ່ແຊ່ນ້ໍາ ຈະຖືກຫຸ້ມດ້ວຍ solder |
ອຸນຫະພູມ soldering: 235 ± 5 ℃ ເວລາແຊ່: 2-3ວິ |
|
| 11 | Solder ຄວາມຕ້ານທານຄວາມຮ້ອນ | Dip Soldering: 260±5℃ 5±1S Soldering ຄູ່ມື: 300±5℃ 2~3S |
|
| 12 | ການອະນຸມັດຄວາມປອດໄພ | UL, CSA, VDE, ENEC, CE | |
| 13 | ເງື່ອນໄຂການທົດສອບ | ອຸນຫະພູມສະພາບແວດລ້ອມ: 20 ± 5 ℃ ຄວາມຊຸ່ມຊື່ນ: 65 ± 5% RH ຄວາມກົດດັນອາກາດ: 86-106KPa |
|
Tongda Wire Electric ສະຫຼັບພະລັງງານ Micro USB Inline ລາຍລະອຽດ

