ໃນຖານະເປັນຕົວແບບມາດຕະຖານຂອງ Yueqing Tongda Wire Electric Factory's micro switch series, HK-14 High-Temperature 16A 250V Current Micro Switch ມີລັກສະນະ "ຄວາມອ່ອນໄຫວສູງ, ອາຍຸຍືນຍາວທີ່ສຸດ, ແລະການປັບຕົວຫຼາຍສະຖານະການ" ເປັນຂໍ້ດີຫຼັກຂອງມັນ. ການລວມເອົາຄວາມຊ່ຽວຊານດ້ານການຜະລິດສະຫຼັບຂອງບໍລິສັດມາເປັນເວລາ 35 ປີ, ມັນໄດ້ກາຍເປັນອົງປະກອບຄວບຄຸມທີ່ສໍາຄັນໃນເຄື່ອງໃຊ້ໃນຄົວເຮືອນ, ເຄື່ອງເອເລັກໂຕຣນິກລົດໃຫຍ່, ອັດຕະໂນມັດອຸດສາຫະກໍາແລະຂົງເຂດອື່ນໆ, ຍ້ອນຊ່ອງຫວ່າງການຕິດຕໍ່ຫນ້ອຍທີ່ສຸດແລະກົນໄກການປະຕິບັດຢ່າງໄວວາ. ການປະຕິບັດແລະຄວາມຫນ້າເຊື່ອຖືຂອງມັນໄດ້ຮັບການຢັ້ງຢືນຈາກອົງການຈັດຕັ້ງທີ່ມີອໍານາດຫຼາຍທົ່ວໂລກ, ຮັບປະກັນຕໍາແຫນ່ງຕົ້ນຕໍຂອງຕົນໃນຕະຫຼາດ niche.
ການແນະນໍາ Micro Switch
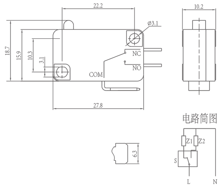
ຊຸດ HK-14 ໃຫ້ທາງເລືອກການປັບແຕ່ງທີ່ມີຄວາມຍືດຫຍຸ່ນສູງເພື່ອຕອບສະຫນອງຄວາມຕ້ອງການຂອງຄໍາຮ້ອງສະຫມັກທີ່ແຕກຕ່າງກັນ. ກໍາລັງປະຕິບັດການແມ່ນສາມາດປັບແຕ່ງໄດ້ (ຫນ້ອຍກວ່າ 5.0N ໃນສະຖານະທີ່ບໍ່ມີ leverless, ປົກກະຕິ 30 ± 15gf), ມີລະດັບເສັ້ນເລືອດຕັນໃນປະຕິບັດງານຂອງ 0.6 ຫາ 1.5 ມມ, ຮອງຮັບແຮງກະຕຸ້ນຕ່າງໆແລະການຍ້າຍສະຖານະການ. ຮູບແບບຂອງ lever ແມ່ນສາມາດປັບແຕ່ງໄດ້, ລວມທັງ levers ຊື່, levers ງໍ, ແລະ levers roller, ໃຫ້ເຫມາະສົມກັບໂຄງສ້າງລະບົບສາຍສົ່ງກົນຈັກຕ່າງໆ. ປະເພດການຕິດຕໍ່ປະກອບມີ SPDT (1NO + 1NC), NO, ແລະ NC, ກວມເອົາຢ່າງເຕັມທີ່, ເພື່ອຕອບສະຫນອງຄວາມຕ້ອງການຂອງການຄວບຄຸມດຽວ, interlock, ແລະການອອກແບບວົງຈອນອື່ນໆ.
ຂໍ້ແນະນຳການຕິດຕັ້ງ ແລະການນຳໃຊ້
ເມື່ອຕິດຕັ້ງ, ສະວິດຕ້ອງຖືກຕິດຢູ່ເທິງພື້ນຜິວຮາບພຽງແລະຕິດດ້ວຍເຄື່ອງຊັກຜ້າຮາບພຽງຫຼືເຄື່ອງລ້າງພາກຮຽນ spring ເພື່ອປ້ອງກັນຄວາມຜິດປົກກະຕິຫຼືຄວາມເສຍຫາຍຂອງທໍ່ທີ່ເກີດຈາກພື້ນຜິວທີ່ບໍ່ສະເຫມີກັນ. ເລືອກຕົວແບບໂດຍອີງໃສ່ສະພາບແວດລ້ອມ: ສໍາລັບສະພາບທີ່ຊຸ່ມຊື່ນຫຼືຂີ້ຝຸ່ນ, ມັນແນະນໍາໃຫ້ໃຊ້ສະບັບ custom ຜະນຶກເຂົ້າກັນເພື່ອເພີ່ມການປົກປ້ອງ. ຫ້າມໃຊ້ນ້ຳມັນຫຼໍ່ລື່ນໃສ່ປຸ່ມ ຫຼື ຕົວກະຕຸ້ນເພື່ອປ້ອງກັນການຕິດຂັດ, ການເຮັດວຽກລົ້ມເຫລວ, ຫຼືແມ້ກະທັ້ງການເຜົາໄໝ້. ໃນລະຫວ່າງການເກັບຮັກສາ, ໃຫ້ເກັບຮັກສາຜະລິດຕະພັນຢູ່ໃນພື້ນທີ່ແຫ້ງແລ້ງ, ລະບາຍອາກາດ, ປ້ອງກັນຝົນຫຼືຫິມະ, ແລະຫຼີກເວັ້ນອຸນຫະພູມແລະຄວາມຊຸ່ມຊື່ນສູງທີ່ອາດຈະເຮັດໃຫ້ເກີດຄວາມແກ່ຂອງອົງປະກອບ, ໃຫ້ແນ່ໃຈວ່າຜະລິດຕະພັນຮັກສາປະສິດທິພາບຕົ້ນສະບັບຂອງມັນ.
ພາຣາມິເຕີ Micro Switch (ຂໍ້ມູນຈໍາເພາະ)
| ສະຫຼັບລັກສະນະທາງວິຊາການ: | |||
| ລາຍການ | ພາລາມິເຕີດ້ານວິຊາການ | ມູນຄ່າ | |
| 1 | ການຈັດອັນດັບໄຟຟ້າ | 5(2)A/10A/16(3)A/21(8)A 250VAC | |
| 2 | ການຕໍ່ຕ້ານການຕິດຕໍ່ | ≤30mΩຄ່າເບື້ອງຕົ້ນ | |
| 3 | ຄວາມຕ້ານທານ insulation | ≥100MΩ (500VDC) | |
| 4 |
Dielectric ແຮງດັນ |
ລະຫວ່າງ terminals ທີ່ບໍ່ໄດ້ເຊື່ອມຕໍ່ |
1000V/0.5mA/60S |
|
ລະຫວ່າງ terminals ແລະກອບໂລຫະ |
3000V/0.5mA/60S | ||
| 5 | ຊີວິດໄຟຟ້າ | ≥50000 ຮອບ | |
| 6 | ຊີວິດກົນຈັກ | ≥1000000 ຮອບ | |
| 7 | ອຸນຫະພູມປະຕິບັດງານ | -25 ~ 125 ℃ | |
| 8 | ຄວາມຖີ່ຂອງການດໍາເນີນການ |
ໄຟຟ້າ : 15 ຮອບ ກົນຈັກ: 60 ຮອບ |
|
| 9 | ຫຼັກຖານສະແດງການສັ່ນສະເທືອນ |
ຄວາມຖີ່ຂອງການສັ່ນສະເທືອນ: 10 ~ 55HZ; ຄວາມກວ້າງໃຫຍ່ໄພສານ: 1.5mm; ສາມທິດທາງ : 1H |
|
| 10 |
ຄວາມສາມາດໃນການຂາຍ: ຫຼາຍກວ່າ 80% ຂອງສ່ວນທີ່ແຊ່ນ້ໍາ ຈະຖືກຫຸ້ມດ້ວຍ solder |
ອຸນຫະພູມ Soldering: 235 ± 5 ℃ ເວລາແຊ່: 2-3ວິ |
|
| 11 | Solder ຄວາມຕ້ານທານຄວາມຮ້ອນ |
Dip Soldering: 260±5℃ 5±1S Soldering ຄູ່ມື: 300±5℃ 2~3S |
|
| 12 | ການອະນຸມັດຄວາມປອດໄພ | UL, CSA, VDE, ENEC, TUV, CE, KC, CQC | |
| 13 | ເງື່ອນໄຂການທົດສອບ |
ອຸນຫະພູມສະພາບແວດລ້ອມ: 20 ± 5 ℃ ຄວາມຊຸ່ມຊື່ນ: 65 ± 5% RH ຄວາມກົດດັນອາກາດ: 86-106KPa |
|
ຄຸນສົມບັດ ແລະແອັບພລິເຄຊັນ Micro Switch
ລາຍລະອຽດ Micro Switch
