ໃນຖານະເປັນຮູບແບບດັດຊະນີຂອງໂຮງງານຜະລິດຈຸນລະພາກຂອງໂຮງງານຜະລິດຕະພັນພືດ HK-14 ການປະສົມປະສານ 35 ປີຂອງການປ່ຽນແປງຂອງບໍລິສັດ, ມັນໄດ້ກາຍເປັນສ່ວນປະກອບໃນການຄວບຄຸມທີ່ສໍາຄັນໃນເຄື່ອງໃຊ້ໃນຄົວເຮືອນ, ຊ່ອງຫວ່າງຂອງອຸດສາຫະກໍາ, ແລະກົນໄກການກະທໍາທີ່ວ່ອງໄວ. ການປະຕິບັດງານແລະຄວາມຫນ້າເຊື່ອຖືຂອງມັນໄດ້ຮັບການຢັ້ງຢືນໂດຍອົງການຈັດຕັ້ງທີ່ມີສິດອໍານາດຫຼາຍແຫ່ງໃນທົ່ວໂລກ, ຮັບປະກັນຕໍາແຫນ່ງຫລັກໃນຕະຫຼາດ Niche.
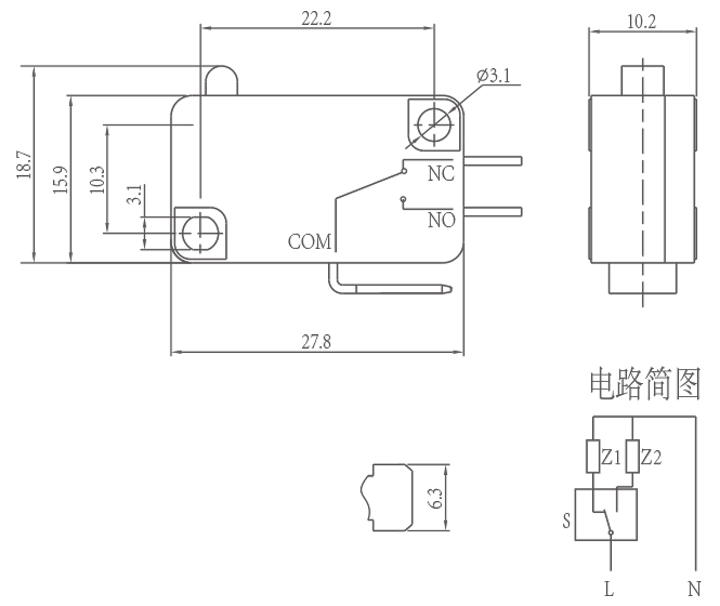
ການແນະນໍາສະຫຼັບເປ້ຈຸນລະພາກ
ຜົນກະທົບຕໍ່ການເດີນທາງທີ່ມີຄວາມຊັດເຈນໃນການປະຕິບັດຢ່າງໄວວາຂອງ 0.5-1,25 ມມແລະສາມາດຕອບສະຫນອງໄດ້ຮັບການຕອບໂຕ້ຢ່າງໄວວາແລະບໍ່ເສຍຄ່າໃນການປ້ອງກັນ "ຜົນກະທົບທີ່ບໍ່ຖືກຕ້ອງ." ເຫມາະສໍາລັບສະຖານະການທີ່ມີຄວາມແມ່ນຍໍາສູງເຊັ່ນ: ການຄວບຄຸມປະຕູເຕົາອົບ microwave ເຕົາອົບເຕົາອົບເຕົາອົບແລະແກັບອຸດສາຫະກໍາ.
ຄຸນນະພາບທີ່ທົນທານ: ຕິດຕໍ່ພົວພັນທີ່ທົນທານໃນການດໍາເນີນງານດ້ວຍໂຄງສ້າງທີ່ເສີມດ້ວຍການສະເຫນີຊີວະປະຫວັດກົນຈັກ 1 ລ້ານວົງຈອນໄຟຟ້າແລະວົງຈອນໄຟຟ້າຫລາຍກວ່າ 50,000 ວົງຈອນ. ເຫມາະສໍາລັບການດໍາເນີນງານທີ່ຫມັ້ນທ່ຽງໃນໄລຍະຍາວໃນສະພາບແວດລ້ອມທີ່ມີຄວາມຖີ່ສູງເຊັ່ນ: ເຄື່ອງໃຊ້ໄຟຟ້າແລະເຄື່ອງມືໄຟຟ້າ.
ຄວາມສາມາດໃນອຸນຫະພູມຢ່າງກວ້າງຂວາງ: ປະຕິບັດງານພາຍໃຕ້ລະດັບອຸນຫະພູມກວ້າງຂອງ -25 ℃ເຖິງ 125-55hz, ມີຄວາມຕ້ານທານແຮງ 100-500m, ແລະປາຍແຮງຂອງປາຍ 1000v ac. ການປະຕິບັດທີ່ຫນ້າເຊື່ອຖືໃນສະພາບທີ່ຮຸນແຮງເຊັ່ນ: ການສັ່ນສະເທືອນຂອງອຸດສາຫະກໍາແລະອຸນຫະພູມສູງໃນຫ້ອງເຄື່ອງຈັກລົດຍົນ.
ພາລາມິເຕີຂອງພາກສ່ວນການຄ້າຈຸລະພາກ (ສະເພາະ)
| ປ່ຽນຄຸນລັກສະນະທາງວິຊາການ: | |||
| ລາຍການ | ພາລາມິເຕີດ້ານເຕັກນິກ | ຄຸນຄ່າ | |
| 1 | ການໃຫ້ຄະແນນໄຟຟ້າ | 5 (2) A / 10A / 16 (3) A / 21 (8) A $ 21 (8) A 250vac | |
| 2 | ຕິດຕໍ່ຄວາມຕ້ານທານ | ≤30mωມູນຄ່າເບື້ອງຕົ້ນ | |
| 3 | ການຕໍ່ຕ້ານການສນວນກັນ | ≥100mω (500VDC) | |
| 4 |
ຂີ້ເທ ແຮງຈິດໃຈ |
ລະຫວ່າງ ສະຖານີທີ່ບໍ່ແມ່ນການເຊື່ອມຕໍ່ |
1000v / 0.5MA / 60s |
| ລະຫວ່າງສະຖານີ ແລະກອບໂລຫະ |
3000V / 0.5MA / 60s | ||
| 5 | ຊີວິດໄຟຟ້າ | ≥50000ຮອບວຽນ | |
| 6 | ຊີວິດກົນຈັກ | ≥1000000ຮອບວຽນ | |
| 7 | ອຸນຫະພູມໃນການເຮັດວຽກ | -25 ~ 125 ℃ | |
| 8 | ຄວາມຖີ່ຂອງການດໍາເນີນງານ | ໄຟຟ້າ: 15 ຮອບວຽນ ກົນຈັກ: 60 ຮອບວຽນ |
|
| 9 | ຫຼັກຖານການສັ່ນສະເທືອນ | ຄວາມຖີ່ຂອງການສັ່ນສະເທືອນ: 10 ~ 55hz; ຄວາມກວ້າງຂວາງ: 1.5mm; ສາມທິດທາງ: 1h |
|
| 10 | solder ຄວາມສາມາດ: ອຸນຫະພູມອາກາດລ້ອມຮອບ: 20 ± 5 ℃ ຈະໄດ້ຮັບການປົກຫຸ້ມດ້ວຍ solder |
ອຸນຫະພູມ soldering: 235 ± 5 ℃ ເວລາທີ່ກໍາລັງຝັງດິນ: 2 ~ 3s |
|
| 11 | ຄວາມຕ້ານທານຄວາມຮ້ອນຂອງ Solder | DIP SOLLOWERING: 260 ± 5 ℃ 5 ± 1s ຄູ່ມືຄູ່ມື: 300 ± 5 ℃ 2 ~ 3s |
|
| 12 | ອະນຸມັດຄວາມປອດໄພ | UL, CSA, VDE, Enec, Tuv, CE, KC, CQC, CQC | |
| 13 | ເງື່ອນໄຂການທົດສອບ | ອຸນຫະພູມອາກາດລ້ອມຮອບ: 20 ± 5 ℃ ຄວາມຊຸ່ມຊື່ນທີ່ກ່ຽວຂ້ອງ: 65 ± 5% rh ຄວາມກົດດັນດ້ານອາກາດ: 86 ~ 106kpa |
|
ຄຸນລັກສະນະແລະການສະຫມັກຈຸນລະພາກ
ລາຍລະອຽດການປ່ຽນຈຸລະພາກ


