ໃນຂະນະທີ່ສະວິດຈຸນລະພາກຫຼັກທີ່ພັດທະນາໂດຍ Yueqing Tongda ສໍາລັບສະຖານະການຄວບຄຸມຄວາມແມ່ນຍໍາຂອງຈຸດປະສົງທົ່ວໄປ, ຊຸດເຄື່ອງວັດແທກນ້ໍາຖານສີດໍາແລະສີຂາວ Actuator Micro Switch ແມ່ນຖືກຈັດໃສ່ໃນ 'ການອອກແບບທີ່ຫນາແຫນ້ນແລະໄວ, ຊັດເຈນ.' ດ້ວຍປະສົບການ 38 ປີໃນການຜະລິດໄມໂຄສະວິດ, ມັນປະສົມປະສານການຕອບສະຫນອງທີ່ລະອຽດອ່ອນ, ອາຍຸຍືນ, ແລະການປັບຕົວຢ່າງກວ້າງຂວາງ, ເຮັດໃຫ້ມັນເປັນອົງປະກອບທີ່ສໍາຄັນສໍາລັບການຄວບຄຸມວົງຈອນໃນອຸປະກອນເອເລັກໂຕຣນິກ, ການຄວບຄຸມອຸດສາຫະກໍາ, ອຸປະກອນ smart home, ແລະອື່ນໆ, ສະຫນອງການກວດສອບການເດີນທາງທີ່ຫນ້າເຊື່ອຖືແລະການແກ້ໄຂການປິດ / ປິດທີ່ເປັນປະໂຫຍດສໍາລັບອຸປະກອນ.
ການແນະນໍາ Micro Switch
ໃນຂະນະທີ່ສະຫຼັບຈຸນລະພາກຫຼັກທີ່ພັດທະນາໂດຍ Yueqing Tongda ສໍາລັບສະຖານະການຄວບຄຸມຄວາມແມ່ນຍໍາຂອງຈຸດປະສົງທົ່ວໄປ, ຊຸດ HK-20 ຖືກຈັດວາງຢູ່ຮອບ 'ການອອກແບບທີ່ກະທັດຮັດແລະໄວ, ຊັດເຈນ.' ດ້ວຍປະສົບການ 38 ປີໃນການຜະລິດໄມໂຄສະວິດ, ມັນປະສົມປະສານການຕອບສະຫນອງທີ່ລະອຽດອ່ອນ, ອາຍຸຍືນ, ແລະການປັບຕົວຢ່າງກວ້າງຂວາງ, ເຮັດໃຫ້ມັນເປັນອົງປະກອບທີ່ສໍາຄັນສໍາລັບການຄວບຄຸມວົງຈອນໃນອຸປະກອນເອເລັກໂຕຣນິກ, ການຄວບຄຸມອຸດສາຫະກໍາ, ອຸປະກອນ smart home, ແລະອື່ນໆ, ສະຫນອງການກວດສອບການເດີນທາງທີ່ຫນ້າເຊື່ອຖືແລະການແກ້ໄຂການປິດ / ປິດທີ່ເປັນປະໂຫຍດສໍາລັບອຸປະກອນ.
ການນໍາໃຊ້ກົນໄກການກະຕຸ້ນໄວ snap-action ທີ່ມີສິດທິບັດ, ເວລາຕອບສະຫນອງຂອງຜົນກະທົບຕໍ່ແມ່ນ ≤8ms, ປັບປຸງປະສິດທິພາບ 25% ເມື່ອທຽບກັບສະຫຼັບຈຸນລະພາກແບບດັ້ງເດີມ. ການເດີນທາງຂອງກະຕຸກຖືກຄວບຄຸມທີ່ຊັດເຈນລະຫວ່າງ 0.3-1.0mm, ມີລະດັບຄວາມແຮງຂອງການດໍາເນີນງານ 1.5-4N. ຄໍາຕິຊົມທີ່ກົດດັນແມ່ນຈະແຈ້ງແລະຄົມຊັດ, ໂດຍບໍ່ມີການຕິດຫຼືຫຼິ້ນຟຣີ, ເຮັດໃຫ້ການຄວບຄຸມທີ່ຊັດເຈນຂອງ 'ການສໍາພັດແສງສະຫວ່າງເພື່ອເຊື່ອມຕໍ່, ປ່ອຍເພື່ອແຕກ,' ເຫມາະຢ່າງສົມບູນສໍາລັບສະຖານະການທີ່ຕ້ອງການຄວາມອ່ອນໄຫວຂອງຜົນກະທົບຕໍ່ສູງ. ການຕິດຕໍ່ແມ່ນເຮັດດ້ວຍໂລຫະປະສົມເງິນກົ່ວທີ່ມີຄວາມບໍລິສຸດສູງແລະການປຸງແຕ່ງດ້ວຍການເຊື່ອມໂລຫະຈຸດທີ່ຊັດເຈນ, ມີຄວາມຕ້ານທານການຕິດຕໍ່ເບື້ອງຕົ້ນຂອງ ≤30mΩ. ການໂຫຼດການຈັດອັນດັບສະຫນັບສະຫນູນ 1A / 250V AC ແລະ 3A / 125V AC, ປະສິດທິຜົນປ້ອງກັນຄວາມຮ້ອນຕິດຕໍ່ຫຼືການເຜົາໄຫມ້ໃນເວລາທີ່ປະຈຸບັນຜ່ານ.
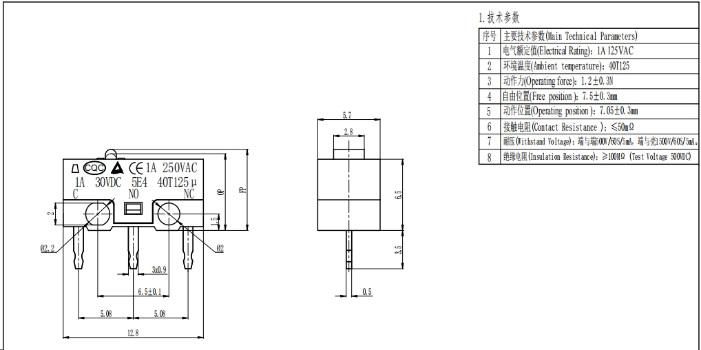
ພາຣາມິເຕີ Micro Switch (ຂໍ້ມູນຈໍາເພາະ)
| ລາຍການ | ຕົວກໍານົດການດ້ານວິຊາການຕົ້ນຕໍ |
| 1 | ການປະເມີນຄ່າໄຟຟ້າ: 3A 250VAC |
| 2 | ອາຍຸການໃຊ້ໄຟຟ້າ: ຕ່ຳສຸດ 10000 ຮອບ |
| 3 | ການຕໍ່ຕ້ານການຕິດຕໍ່:<50mΩ |
| 4 | ກໍາລັງປະຕິບັດການ: 70 ± 20gf |
| 5 | ຕໍາແຫນ່ງຟຣີ: 7.3 ± 0.2mm |
| 6 | ຕໍາແຫນ່ງປະຕິບັດການ: 7.0±0.2mm |
| 7 | ອຸນຫະພູມລ້ອມຮອບ:T85° |
| 8 | ທົນທານຕໍ່ແຮງດັນ: ລະຫວ່າງ terminal ແລະ terminal 500V / 5S / 5mA; |
| ລະຫວ່າງ terminals ແລະ case 1500/5S/5mA | |
| 9 | Insulation Resistance:>100MΩ Test Voltage 500VDC |
| 10 | ດັດຊະນີການຕິດຕາມຫຼັກຖານ PTI : 175V |
ລາຍລະອຽດ Micro Switch
